// google adsence用 電験3種過去問【2018年電力 問16】 | 電気主任技術者のいろは

電験3種過去問【2018年電力 問16】

2025年5月25日

【配電】単相3線式線路への発電設備接続計算《計算問題》

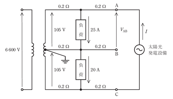
 図のように,電圧線及び中性線の各部の抵抗が 0.2 Ω の単相 3 線式低圧配電線路において、末端の AC 間に太陽光発電設備が接続されている。各部の電圧及び電流が図に示された値であるとき,次の(a)及び(b)の問に答えよ。ただし,負荷は定電流特性で力率は 1,太陽光発電設備の出力 (交流) は電流 I [A],力率 1 で一定とする。また,線路のインピーダンスは抵抗とし,図示していないインピーダンスは無視するものとする。

(a) 太陽光発電設備を接続する前の AB 間の端子電圧 VAB の値 [V]として,最も近いものを次の(1)~(5)のうちから一つ選べ。

(1)96
(2)99
(3)100
(4)101
(5)104

(b) 太陽光発電設備を接続したところ, AB 間の端子電圧 VAB [V] が 107 V となった。このときの太陽光発電設備の出力電流 (交流) I の値 [A]として,最も近いものを次の(1)~(5)のうちから一つ選べ。

(1)5
(2)15
(3)20
(4)25
(5)30


「出典:平成30年度第三種電気主任技術者試験(電力)」

解答と解説はこちら

解答

(a):(2)が最も近い。
(b):(3)が最も近い。

解説

 複雑な問題にみえますが、理論科目の延長と考えれば難しい問題ではありません。しっかり問題慣れしておきましょう。

(a) 太陽光発電設備を接続する前の AB 間の端子電圧 VAB の値 [V]を求める。

 AB 間の端子に並列に挿入されている負荷には 25 A の電流が流れている。また,BC 間の端子に並列に挿入されている負荷には 20 A の電流が流れている。
 中性線に流れる流れる電流は,キルヒホッフの法則より
 25-20=5 [A]
であることを考慮すると、 AB 間の端子電圧 VAB の値 [V]は、
 \(V_{AB}=105-(25\times0.2)-(5\times0.2)\)
  \(=99\)[V]

(b) 太陽光発電設備の出力電流 (交流) I の値 [A]を求める。
 キルヒホッフの法則より,電源側からAB 間の負荷には (25-I) A の電流が流れる。また,中性線に流れる電流は 5 [A] のまま変化していない。よって、 AB 間の負荷にかかる電圧 VR の値 [V]は、
 \(V_{R}=105-{(25-I)\times0.2}-(5\times0.2)\)
  \(=99+0.2I\)[V]
 題意よりAB 間の端子電圧 VAB の値は 107[V]であるので、
 \(V_{AB}=I\times0.2+V_R=107\)
 ∴\(107=0.2I+99+0.2I\)
 ∴\(I=20\)[A]

追加学習は配電の学習帳

<<前問  次問>>