電験3種過去問【2016年電力 問17】
【配電】バランサ接続前後の線路損失計算《計算問題》
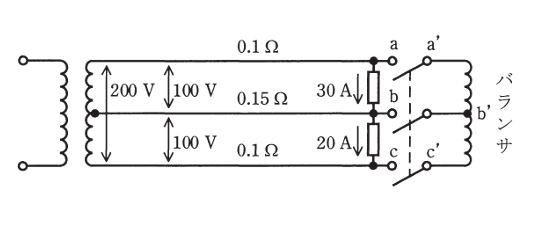
図のような,線路抵抗をもった 100/200V 単相 3 線式配電線路に,力率が 100 % で電流がそれぞれ 30 A 及び 20 A の二つの負荷が接続されている。この配電線路にバランサを接続した場合について,次の(a)及び(b)の問に答えよ。
ただし,バランサの接続前後で負荷電流は変化しないものとし,線路抵抗以外のインピーダンスは無視するものとする。

(a) バランサ接続後 a’-b’ 間に流れる電流の値 [A] として,最も近いものを次の(1)~(5)のうちから一つ選べ。
(1)5
(2)10
(3)20
(4)25
(5)30
(b) バランサ接続前後の線路損失の変化量の値 [W] として,最も近いものを次の(1)~(5)のうちから一つ選べ。
(1)20
(2)65
(3)80
(4)125
(5)145
「出典:平成28年度第三種電気主任技術者試験(電力)」
追加学習は配電の学習帳で
ディスカッション
コメント一覧
まだ、コメントがありません